Online sinds 2006 – Vertrouwde ervaring
Meer dan 100.000 artikelen – Groot assortiment
Levering uit eigen voorraad – Snelle verzending
Gratis verzending bij €120+

Effect Houten Fotolijst Profil 71 Eikenhout 42x59,4 cm Kunstglas

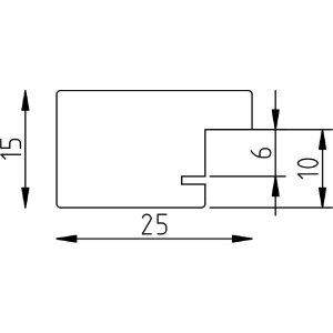
Eikenhouten massief hout, 42x59,4 cm, kunstglas met anti-reflectie en UV-bescherming, harmonische breedte 2,5 cm, geschikt voor wandmontage en DIN A2-posters
Glastype 
Maat 

76,55 €
incl. 21% BTW , plus Verzending