Online sinds 2006 – Vertrouwde ervaring
Meer dan 100.000 artikelen – Groot assortiment
Levering uit eigen voorraad – Snelle verzending
Gratis verzending bij €120+

Effect Holzrahmen Profil 71 Eikenhout 59,4x84,1 cm met kunstglas

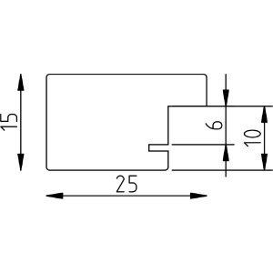
Eikenhouten massief fotolijst, DIN A1 formaat, 2,5 cm leestbreedte, kunstglas met anti-reflectie en UV-bescherming, compatibel met Profil 70, voor wandmontage in woon- en kantoorruimtes
Glastype 
Maat 

152,35 €
incl. 21% BTW , plus Verzending