Online sinds 2006 – Vertrouwde ervaring
Meer dan 100.000 artikelen – Groot assortiment
Levering uit eigen voorraad – Snelle verzending
Gratis verzending bij €120+

Effect Houten Lijst Profil Top Pro Natuur 42x59,4 cm Kunstglas

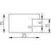
Hoge kwaliteit massief hout met zichtbare houtstructuur, minimalistisch streepvormig profiel van 2,5 cm, natuurlijk uiterlijk met 6-kant gelak, kunstglas met hoge breuksterkte en UV-bestendig, ideaal voor wandmontage in hoog- en breedformaat
Kleur 
Glastype 
Maat 

79,56 €
incl. 21% BTW , plus Verzending