Online sinds 2006 – Vertrouwde ervaring
Meer dan 100.000 artikelen – Groot assortiment
Levering uit eigen voorraad – Snelle verzending
Gratis verzending bij €120+

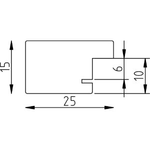
Effect Holzrahmen Profil 71 Eikenhout 30x45 cm wandlijst met kunstglas

Massief eikenhout met echte houtvezelstructuur, leistebreedte 2,5 cm, kunstglas met antireflexlaag en UV-bescherming, geïntegreerd voor wandmontage, hoog breukbestendig, perfect voor woon- en kantoortuig
Glastype 
Maat 

69,25 €
incl. 21% BTW , plus Verzending