Online sinds 2006 – Vertrouwde ervaring
Meer dan 100.000 artikelen – Groot assortiment
Levering uit eigen voorraad – Snelle verzending
Gratis verzending bij €120+

Effect Houten Fotolijst Profil Top Pro Meeresgroen 40x40 cm Kunstglas

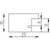
Hoge kwaliteit massief hout met zichtbare houtstructuur, minimalistisch kantig profiel 2,5 cm, meeresgroene kleur, 6-laags gelakt, kunstglas met UV-bescherming en antireflexlaag, ideaal voor wandmontage
Kleur 
Glastype 
Maat 

57,80 €
incl. 21% BTW , plus Verzending