Online sinds 2006 – Vertrouwde ervaring
Meer dan 100.000 artikelen – Groot assortiment
Levering uit eigen voorraad – Snelle verzending
Gratis verzending bij €120+

Effect Houten Fotolijst Profiel Top Pro Meeresgroen 20x25 cm Kunstglas

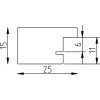
Houten fotolijst, massief hout, meeresgroen, kantig minimalistisch profiel 2,5 cm, 6-laags verf, kunstglas met antireflexlaag, UV-bescherming, geschikt voor ophanging
Kleur 
Glastype 
Maat 

28,30 €
incl. 21% BTW , plus Verzending