Online sinds 2006 – Vertrouwde ervaring
Meer dan 100.000 artikelen – Groot assortiment
Levering uit eigen voorraad – Snelle verzending
Gratis verzending bij €150+

Effect houten lijst Profil Top Pro meeresgroen 40x40 cm met museumsglas

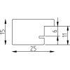
Houten lijst met zichtbare houtstructuur, kantig minimalistisch profiel 2,5 cm, kleur meeresgroen, museumsglas met 70% UV-bescherming, 6-laags gelakt volgens EU-richtlijnen, ideaal voor wandmontage
Kleur 
Glastype 
Maat 

74,95 €
incl. BTW , plus Verzending