Online sinds 2006 – Vertrouwde ervaring
Meer dan 100.000 artikelen – Groot assortiment
Levering uit eigen voorraad – Snelle verzending
Gratis verzending bij €120+

Effect Houten Fotolijst Profil Top Pro bruin 35x50 cm kunstglas

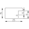
Houten fotolijst, massief hout, zichtbare houtstructuur, minimalistisch profiel 2,5 cm, bruintint, 6-kant gelakt, kunstglas, breukbestendig, UV- en antireflexbescherming
Kleur 
Glastype 
Maat 

57,80 €
incl. 21% BTW , plus Verzending