Online sinds 2006 – Vertrouwde ervaring
Meer dan 100.000 artikelen – Groot assortiment
Levering uit eigen voorraad – Snelle verzending
Gratis verzending bij €120+

Effect Houten Fotolijst Profil Top Pro bruin 24x30 cm kunstglas

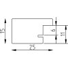
Massief hout met zichtbare structuur, minimalistisch profiel 2,5 cm, kunstglas met anti-reflexlaag en UV-bescherming, 6-lagen lak volgens EU-richtlijnen, geschikt voor verticale en horizontale opstelling
Kleur 
Glastype 
Maat 

34,75 €
incl. 21% BTW , plus Verzending