Online sinds 2006 – Vertrouwde ervaring
Meer dan 100.000 artikelen – Groot assortiment
Levering uit eigen voorraad – Snelle verzending
Gratis verzending bij €120+

Effect Houten Fotolijst Profil Top Pro hellbruin 24x30 cm Kunstglas

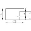
Houten fotolijst met zichtbare houtstructuur, kantig minimalistisch profiel van 2,5 cm, hellbruine kleur met 6-kante verf volgens EU-richtlijn, kunstglas met UV-bescherming en antireflexlaag, geschikt voor wandmontage in moderne en klassieke interieurs
Kleur 
Glastype 
Maat 

34,75 €
incl. 21% BTW , plus Verzending