Online sinds 2006 – Vertrouwde ervaring
Meer dan 100.000 artikelen – Groot assortiment
Levering uit eigen voorraad – Snelle verzending
Gratis verzending bij €120+

Effect Houten Fotolijst Profil Top Pro Zilver 35x50 cm Kunstglas

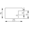
Hoge kwaliteit massief hout, zichtbare houtstructuur, minimalistisch profiel 2,5 cm, zilver folieafwerking, kunstglas met UV-bescherming, breukweerstand, verticaal of horizontaal aanhangbaar
Kleur 
Glastype 
Maat 

57,80 €
incl. 21% BTW , plus Verzending