Online sinds 2006 – Vertrouwde ervaring
Meer dan 100.000 artikelen – Groot assortiment
Levering uit eigen voorraad – Snelle verzending
Gratis verzending bij €120+

Effect Houten Lijst Profil Top Pro Lichtbruin 27x48 cm Kunstglas

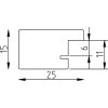
Houten lijst, massief hout, zichtbare houtstructuur, gladde oppervlakte, kantig minimalistisch profiel, 2,5 cm breed, lichtbruin, 6-kante gelakt, wandmontage, kunstglas, breukbestendig, UV-bescherming, antireflexlaag
Kleur 
Glastype 
Maat 

57,80 €
incl. 21% BTW , plus Verzending