Online sinds 2006 – Vertrouwde ervaring
Meer dan 100.000 artikelen – Groot assortiment
Levering uit eigen voorraad – Snelle verzending
Gratis verzending bij €120+

Effect houten lijst Profil Top Pro blauw 10x15 cm kunstglas

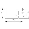
Hoogwaardige massief houten lijst met zichtbare houtstructuur, minimalistisch kantig profiel van 2,5 cm, blauw 6-laags gelakt, kunstglas met antireflexlaag en UV-bescherming, rugwand met hanger voor staan of hangen
Kleur 
Glastype 
Maat 

18,85 €
incl. 21% BTW , plus Verzending