Online sinds 2006 – Vertrouwde ervaring
Meer dan 100.000 artikelen – Groot assortiment
Levering uit eigen voorraad – Snelle verzending
Gratis verzending bij €120+

Effect Holzrahmen Profil Top Pro houten fotolijst 10x15 cm natuurlijk hout

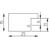
Massief hout met zichtbare structuur, glad oppervlak, 2,5 cm kantig profiel, 6-klaar gelakt volgens EU-richtlijnen, kunstglas met antireflexlaag, UV-bestendig, geschikt voor staand of ophangen
Kleur 
Glastype 
Maat 

18,85 €
incl. 21% BTW , plus Verzending