Online sinds 2006 – Vertrouwde ervaring
Meer dan 100.000 artikelen – Groot assortiment
Levering uit eigen voorraad – Snelle verzending
Gratis verzending bij €120+

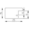
Effect Houten Fotolijst Profil Top Pro zwart 18x27 cm kunstglas

Massieve houten fotolijst met zichtbare houtstructuur, kantig profiel 2,5 cm, hoogwaardige zwarte lak 6-kantig gelakt, kunstglas met hoge breuksterkte en anti-reflexlaag, UV-bestendig, geschikt voor wandmontage in scholen en openbare gebouwen
Kleur 
Glastype 
Maat 

29,35 €
incl. 21% BTW , plus Verzending