Online sinds 2006 – Vertrouwde ervaring
Meer dan 100.000 artikelen – Groot assortiment
Levering uit eigen voorraad – Snelle verzending
Gratis verzending bij €120+

Effect Houten Fotolijst Profil Top Pro rood 18x27 cm kunstglas

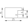
Massief hout met zichtbare structuur, hoekig profiel 2,5 cm, rood kleur, 6-lagen lak, kunstglas met anti-reflectie en UV-bescherming, wandmontage, duurzaam en modern
Kleur 
Glastype 
Maat 

29,35 €
incl. 21% BTW , plus Verzending