Online sinds 2006 – Vertrouwde ervaring
Meer dan 100.000 artikelen – Groot assortiment
Levering uit eigen voorraad – Snelle verzending
Gratis verzending bij €120+

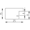
Effect Houten Fotolijst Profil Top Pro Wit 10x10 cm Kunstglas

Wit houten fotolijst met zichtbare houtstructuur, kantig profiel van 2,5 cm, kunstglas met UV- en antireflexbescherming, rugwand met opstelmechanisme voor staand of hangend gebruik, modern minimalistisch design, geschikt voor scholen en openbare ruimten
Kleur 
Glastype 
Maat 

18,85 €
incl. 21% BTW , plus Verzending