Online sinds 2006 – Vertrouwde ervaring
Meer dan 100.000 artikelen – Groot assortiment
Levering uit eigen voorraad – Snelle verzending
Gratis verzending bij €120+

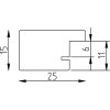
Effect Houten Fotolijst Profil Top Pro Wit 10,5x14,8 cm Kunstglas

Houten fotolijst, massief hout met zichtbare houtstructuur, wit 6-laags gelakt, kunstglas met UV-bescherming, rugwand met opstelmechanisme, geschikt voor staand en ophangend gebruik
Kleur 
Glastype 
Maat 

24,00 €
incl. 21% BTW , plus Verzending