Online sinds 2006 – Vertrouwde ervaring
Meer dan 100.000 artikelen – Groot assortiment
Levering uit eigen voorraad – Snelle verzending
Gratis verzending bij €120+

Effect Houten Fotolijst Platin 10,5x14,8 cm Kunstglas

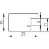
Hoogwaardige massief houten lijst, platinfarben, 6-laags gelakt, hoekig profiel 2,5 cm, rugwand met staafje, kunstglas met UV-beveiliging, geschikt voor staan en hangen
Kleur 
Glastype 
Maat 

24,00 €
incl. 21% BTW , plus Verzending