Online sinds 2006 – Vertrouwde ervaring
Meer dan 100.000 artikelen – Groot assortiment
Levering uit eigen voorraad – Snelle verzending
Gratis verzending bij €120+

Effect Houten Fotolijst Profil Top Pro Blauw 60x90 cm Kunstglas

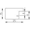
Houten fotolijst met zichtbare houtstructuur, minimalistisch profiel van 2,5 cm, blauw gelakt, 6-lagen, kunstglas met anti-reflexie en UV-bescherming, geschikt voor wandmontage, verticaal of horizontaal, ideaal voor openbare ruimtes en woonruimtes
Kleur 
Glastype 
Maat 

161,50 €
incl. 21% BTW , plus Verzending