Online sinds 2006 – Vertrouwde ervaring
Meer dan 100.000 artikelen – Groot assortiment
Levering uit eigen voorraad – Snelle verzending
Gratis verzending bij €120+

Effect Holzrahmen Profil Top Pro zilver 60x90 cm kunstglas frame

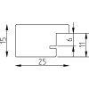
Massief hout met zichtbare structuur, strak minimalistisch profiel 2,5 cm, zilverkleurige folieafwerking, kunstglas met breukweerstand en UV-bescherming, geschikt voor binnen- en buitenruimtes, ophanging in portret- en landschapsformaat
Kleur 
Glastype 
Maat 

161,50 €
incl. 21% BTW , plus Verzending