Online sinds 2006 – Vertrouwde ervaring
Meer dan 100.000 artikelen – Groot assortiment
Levering uit eigen voorraad – Snelle verzending
Gratis verzending bij €150+

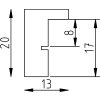
Effect Houten Fotolijst Profil neongeel 20x25 cm met acrylglas

Houten fotolijst met neongeel profiel, 20x25 cm, massief hout, acrylglas met anti-reflectie en UV-bescherming, modern blokdesign, ideaal voor wandmontage en creatieve presentatie
Kleur 
Glassoort 
Lijstformaat 

31,75 €
incl. BTW , plus Verzending