Online sinds 2006 – Vertrouwde ervaring
Meer dan 100.000 artikelen – Groot assortiment
Levering uit eigen voorraad – Snelle verzending
Gratis verzending bij €120+

effect Massief houten fotolijst Profil 58 lichtbruin 24x30 cm met museumglas

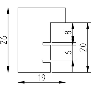
Massief houten fotolijst, diep blokprofiel 1,9 cm, 6-kleurige lak volgens EU-richtlijn, museumglas met 70% UV-bescherming, 24x30 cm, lichtbruin, wandmontage
Kleur 
Soort Glas 
Afmeting Fotolijst 

60,65 €
incl. 21% BTW , plus Verzending