Online sinds 2006 – Vertrouwde ervaring
Meer dan 100.000 artikelen – Groot assortiment
Levering uit eigen voorraad – Snelle verzending
Gratis verzending bij €120+

Effect Houten Fotolijst Profil 58 Lichtbruin 20x30 cm met Museumsglas

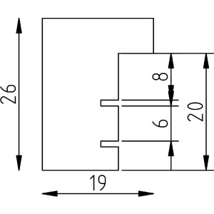
Houten fotolijst met diep blokprofiel 1,9 cm, 6-lagen verf, museumsglas met 70% UV-bescherming, voor foto’s 20x30 cm, lichtbruin, robuust en elegant
Kleur 
Soort Glas 
Afmeting Fotolijst 

52,50 €
incl. 21% BTW , plus Verzending