Online sinds 2006 – Vertrouwde ervaring
Meer dan 100.000 artikelen – Groot assortiment
Levering uit eigen voorraad – Snelle verzending
Gratis verzending bij €120+

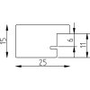
Effect Houten Fotolijst Profiel Top Pro goud 50x70 cm kunstglas

Hoge kwaliteit massief hout met zichtbare structuur, minimalistisch goud profiel 2,5 cm, kunstglas met antireflexlaag, UV-bestendig, geschikt voor wandmontage, ideaal voor woonruimtes en openbare gebouwen
Kleur 
Glastype 
Maat 

72,70 €
incl. 21% BTW , plus Verzending