Online sinds 2006 – Vertrouwde ervaring
Meer dan 100.000 artikelen – Groot assortiment
Levering uit eigen voorraad – Snelle verzending
Gratis verzending bij €120+

Clayre & Eef houten fotolijst zwart 50x70 cm kunstglas

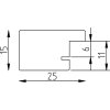
Zwarte houten fotolijst met zichtbare houtstructuur, minimalistisch kantig profiel van 2,5 cm, 6-laags gelakt, brokkelbestendig kunstglas met antireflex en UV-bescherming, wandmontage in verticale of horizontale oriëntatie
Kleur 
Glastype 
Maat 

99,70 €
incl. 21% BTW , plus Verzending