Online sinds 2006 – Vertrouwde ervaring
Meer dan 100.000 artikelen – Groot assortiment
Levering uit eigen voorraad – Snelle verzending
Gratis verzending bij €120+

Effect Houten Fotolijst Platin 15x20 cm Kunstglas

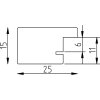
Houten fotolijst met massief hout, zichtbare houtstructuur, gladde oppervlakte, minimalistisch kantig profiel 2,5 cm, platin-ontwerp, 6-laags EU-gecertificeerde lak, kunstglas met breukbestendigheid, antireflexlaag, UV-bescherming, rugwand met opstelstandaard voor staan of ophangen
Kleur 
Glastype 
Maat 

24,00 €
incl. 21% BTW , plus Verzending