Online sinds 2006 – Vertrouwde ervaring
Meer dan 100.000 artikelen – Groot assortiment
Levering uit eigen voorraad – Snelle verzending
Gratis verzending bij €120+

Clayre & Eef Profil Top Pro houten fotolijst meeresgroen 9x13 cm kunstglas

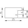
Houten fotolijst met zichtbare houtstructuur, meeresgroen, 9x13 cm, strak profiel 2,5 cm, 6-laags lak, kunstglas met UV- en anti-reflectiebescherming, opstelvoet voor staan of hangen
Kleur 
Glastype 
Maat 

17,60 €
incl. 21% BTW , plus Verzending