Online sinds 2006 – Vertrouwde ervaring
Meer dan 100.000 artikelen – Groot assortiment
Levering uit eigen voorraad – Snelle verzending
Gratis verzending bij €150+

effect Massief houten fotolijst 25x70 cm hellbruin met anti-reflectie glas

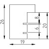
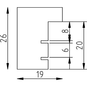
Massief houten fotolijst, diep blokprofiel, leistbreedte 1,9 cm, 6-laags gelakt volgens EU-richtlijn, anti-reflectie glas, geschikt voor wandmontage
Kleur 
Soort Glas 
Afmeting Fotolijst 

57,85 €
incl. BTW , plus Verzending