Online sinds 2006 – Vertrouwde ervaring
Meer dan 100.000 artikelen – Groot assortiment
Levering uit eigen voorraad – Snelle verzending
Gratis verzending bij €120+

Effect houten fotolijst zilver 50x100 cm met klarglas en afstandslint

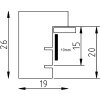
Massief hout, zilverfolie afwerking, scherpe diepe profiellijn 1,9 cm, klarglas, afstandslint voor objecten tot 1 cm diepte, wandmontage geschikt voor hoog- en breedformaat
Kleur 
Soort Glas 
Afmeting Fotolijst 

139,50 €
incl. 21% BTW , plus Verzending