Online sinds 2006 – Vertrouwde ervaring
Meer dan 100.000 artikelen – Groot assortiment
Levering uit eigen voorraad – Snelle verzending
Gratis verzending bij €120+

Effect Houten Fotolijst Profil Top Pro Zwarte 45x80 cm Kunstglas

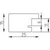
Hoge kwaliteit massief hout, zichtbare houtstructuur, minimalistisch 2,5 cm profiel, zwart met 6-kante lak, kunstglas met UV-bescherming, geschikt voor wand- en liggend ophanging
Kleur 
Glastype 
Maat 

125,60 €
incl. 21% BTW , plus Verzending