Online sinds 2006 – Vertrouwde ervaring
Meer dan 100.000 artikelen – Groot assortiment
Levering uit eigen voorraad – Snelle verzending
Gratis verzending bij €150+

Effect Houten Fotolijst Profil Top Pro zwart 45x60 cm met museumsglas

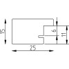
Effect Houten Fotolijst Profil Top Pro, zwart, massief hout met zichtbare structuur, 2,5 cm lijn, 6-laags gelakt, museumsglas met 70% UV-bescherming, wandmontage verticaal of horizontaal
Kleur 
Glastype 
Maat 

171,70 €