Online sinds 2006 – Vertrouwde ervaring
Meer dan 100.000 artikelen – Groot assortiment
Levering uit eigen voorraad – Snelle verzending
Gratis verzending bij €120+

Effect Houten Fotolijst Profil Top Pro zilver 20x30 cm met antireflexglas

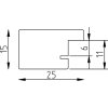
Massief houtprofiel met zichtbare houtstructuur en gladde oppervlakte, kantig minimalistisch ontwerp met 2,5 cm leistenbreedte, zilverkleurige foliebehandeling, antireflexglas voor scherpe weergave, geschikt voor wandmontage in moderne en klassieke interieurs
Kleur 
Glastype 
Maat 

26,80 €
incl. 21% BTW , plus Verzending