Online sinds 2006 – Vertrouwde ervaring
Meer dan 100.000 artikelen – Groot assortiment
Levering uit eigen voorraad – Snelle verzending
Gratis verzending bij €120+

Effect Houten Fotolijst Profil Top Pro wit 50x100 cm Museumsglas

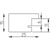
Hoogwaardige massieve houten fotolijst met zichtbare houtstructuur, minimalistisch profiel van 2,5 cm, 6-kleurig gelakt volgens EU-richtlijnen, museumsglas met 70% UV-bescherming, geschikt voor verticale en horizontale opgehangen gebruik
Kleur 
Glastype 
Maat 

328,65 €
incl. 21% BTW , plus Verzending