Online sinds 2006 – Vertrouwde ervaring
Meer dan 100.000 artikelen – Groot assortiment
Levering uit eigen voorraad – Snelle verzending
Gratis verzending bij €120+

Effect Houten Fotolijst Profil Top Pro rood 21x29,7 cm met museumsglas

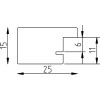
Houten fotolijst met zichtbare houtstructuur, minimalistisch kantig profiel van 2,5 cm, rood gelakt volgens EU-richtlijnen, museumsglas met 70% UV-scherming, ideaal voor DIN A4 wandmontage, stijlvol accent voor moderne en klassieke interieurs
Kleur 
Glastype 
Maat 

46,05 €
incl. 21% BTW , plus Verzending