Online sinds 2006 – Vertrouwde ervaring
Meer dan 100.000 artikelen – Groot assortiment
Levering uit eigen voorraad – Snelle verzending
Gratis verzending bij €120+

Effect Houten Fotolijst Profil Top Pro rood 10x10 cm met antireflexglas

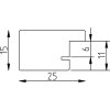
Massieve houten fotolijst met zichtbare houtstructuur, kantig profiel 2,5 cm, rood gelakt met zeslagen lak, antireflexglas, rugwand met opstelmechanisme voor tafel of muur
Kleur 
Glastype 
Maat 

17,45 €
incl. 21% BTW , plus Verzending