Online sinds 2006 – Vertrouwde ervaring
Meer dan 100.000 artikelen – Groot assortiment
Levering uit eigen voorraad – Snelle verzending
Gratis verzending bij €120+

Effect Houten Fotolijst Profil Top Pro Platin 42x59,4 cm met Antireflexglas

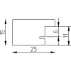
Houten fotolijst met zichtbare houtstructuur, minimalistisch kantig profiel van 2,5 cm, platina omlijsting, 6-laags gelakt oppervlak, antireflexglas, voor wandmontage, ideaal voor woon- en kantoormilieus
Kleur 
Glastype 
Maat 

74,75 €
incl. 21% BTW , plus Verzending