Online sinds 2006 – Vertrouwde ervaring
Meer dan 100.000 artikelen – Groot assortiment
Levering uit eigen voorraad – Snelle verzending
Gratis verzending bij €150+

Effect Houten Fotolijst Profil Top Pro Oranje 30x45 cm Museumsglas

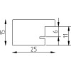
Houten fotolijst met zichtbare houtstructuur, hoekig minimalistisch profiel van 2,5 cm, oranje kleur, 6-klaar gelakt, museumsglas met 70% UV-bescherming, geschikt voor wandmontage in hoog- en breedformaat
Kleur 
Glastype 
Maat 

76,45 €
incl. BTW , plus Verzending