Online sinds 2006 – Vertrouwde ervaring
Meer dan 100.000 artikelen – Groot assortiment
Levering uit eigen voorraad – Snelle verzending
Gratis verzending bij €120+

Effect houten fotolijst Profil Top Pro oranje 13x18 cm met kunstglas

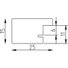
Massief hout met zichtbare structuur, minimalistisch profiel 2,5 cm, oranje kleur, 6-laags verf EU-standaard, kunstglas met anti-reflex & UV-bescherming, rugwand met opstelvoet, geschikt voor binnen en buiten, robuust en praktisch voor 13x18 cm
Kleur 
Glastype 
Maat 

20,95 €
incl. 21% BTW , plus Verzending