Online sinds 2006 – Vertrouwde ervaring
Meer dan 100.000 artikelen – Groot assortiment
Levering uit eigen voorraad – Snelle verzending
Gratis verzending bij €120+

Effect Houten Fotolijst Profil Top Pro Lichtbruin 18x24 cm Kunstglas

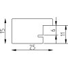
Houten fotolijst met massief hout, zichtbare houtstructuur, minimalistisch kantig profiel 2,5 cm, 6-kant gelakt lichtbruin, kunstglas met breukweerstand, antireflexlaag, UV-bescherming, rugwand met opstelvoet, geschikt voor staan of hangen
Kleur 
Glastype 
Maat 

26,40 €
incl. 21% BTW , plus Verzending