Online sinds 2006 – Vertrouwde ervaring
Meer dan 100.000 artikelen – Groot assortiment
Levering uit eigen voorraad – Snelle verzending
Gratis verzending bij €120+

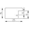
Effect Houten Fotolijst Profil Top Pro Hellbruin 7x10 cm met Antireflexglas

Massief houten profiel met zichtbare houtstructuur, scherpgekant design, 6-laags gelakte oppervlakte, antireflexglas, inclusief achterwand met opstelbeugel, geschikt voor ophangen of neerstellen
Kleur 
Glastype 
Maat 

17,10 €
incl. 21% BTW , plus Verzending