Online sinds 2006 – Vertrouwde ervaring
Meer dan 100.000 artikelen – Groot assortiment
Levering uit eigen voorraad – Snelle verzending
Gratis verzending bij €120+

Effect Houten Fotolijst Profil Top Pro goud 13x18 cm Museumsglas

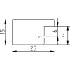
Hoogwaardige houten fotolijst met zichtbare houtstructuur, kantig profiel van 2,5 cm, goudkleurig foliebeleg, museumsglas met 70% UV-bescherming, achterwand met standaard voor hangen of opstellen
Kleur 
Glastype 
Maat 

26,90 €
incl. 21% BTW , plus Verzending