Online sinds 2006 – Vertrouwde ervaring
Meer dan 100.000 artikelen – Groot assortiment
Levering uit eigen voorraad – Snelle verzending
Gratis verzending bij €120+

Effect Houten Fotolijst Profil Top Pro Flieder 25x35 cm Kunstglas

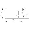
Houten fotolijst met zichtbare houtstructuur, kantig profiel 2,5 cm, fliederkleur, 6-lagig gelakt, kunstglas met anti-reflex en UV-bescherming, geschikt voor wandmontage, afmetingen 25x35 cm, ideaal voor moderne en klassieke inrichtingen
Kleur 
Glastype 
Maat 

37,75 €
incl. 21% BTW , plus Verzending