Online sinds 2006 – Vertrouwde ervaring
Meer dan 100.000 artikelen – Groot assortiment
Levering uit eigen voorraad – Snelle verzending
Gratis verzending bij €120+

Effect Houten Fotolijst Profil Top Pro Flieder 21x28 cm met Antireflexglas

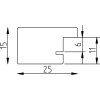
Massief hout met zichtbare structuur, minimalistisch kantig profiel 2,5 cm, kleur Flieder, 6-lagen lak, antireflexglas, helder beeld, ideaal voor wandmontage
Kleur 
Glastype 
Maat 

32,55 €
incl. 21% BTW , plus Verzending