Online sinds 2006 – Vertrouwde ervaring
Meer dan 100.000 artikelen – Groot assortiment
Levering uit eigen voorraad – Snelle verzending
Gratis verzending bij €150+

Effect houten fotolijst Profil Top Pro blauw 42x59,4 cm met museumglas

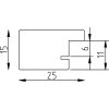
Houten fotolijst met massief hout, kantig minimalistisch profiel van 2,5 cm, blauw gelakt volgens EU-richtlijn 6-laags, museumglas met 70% UV-bescherming, ideaal voor wandmontage in hoog- en breedformaat
Kleur 
Glastype 
Maat 

147,70 €
incl. BTW , plus Verzending