Online sinds 2006 – Vertrouwde ervaring
Meer dan 100.000 artikelen – Groot assortiment
Levering uit eigen voorraad – Snelle verzending
Gratis verzending bij €150+

Effect Houten fotolijst Profil neonrood 30x45 cm Klarglas

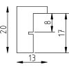
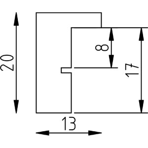
Effect Houten fotolijst, neonrood gelakt profiel, 30x45 cm, klaroglas, smal blokprofiel 1,3 cm, wandmontage, moderne stijl, duurzaam, voor foto's of kunst
Kleur 
Glassoort 
Lijstformaat 

47,40 €
incl. BTW , plus Verzending