Online sinds 2006 – Vertrouwde ervaring
Meer dan 100.000 artikelen – Groot assortiment
Levering uit eigen voorraad – Snelle verzending
Gratis verzending bij €150+

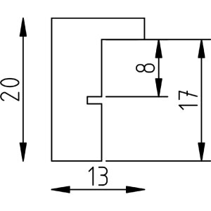
Effect Houten Fotolijst Profil Neonoranje 7x10 cm met Museumglas

Houten fotolijst met neonoranje profiel 1,3 cm, museumglas met 70% UV-scherm, kan staan of hangen dankzij opstelvoet, hoge kwaliteit, modern en opvallend design
Kleur 
Glassoort 
Lijstformaat 

25,25 €
incl. BTW , plus Verzending