Online sinds 2006 – Vertrouwde ervaring
Meer dan 100.000 artikelen – Groot assortiment
Levering uit eigen voorraad – Snelle verzending
Gratis verzending bij €150+

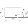
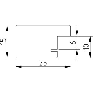
effect houten fotolijst Profil 71 eiken 21x29,7 cm antireflexglas

Massief eikenhout, antireflexglas, leestbreedte 2,5 cm, DIN A4 formaat, natuurlijk design, ideaal voor foto’s en kunstwerken, eenvoudige wandmontage, premium kwaliteit, effect fotolijsten
Glastype 
Maat 

41,55 €
incl. BTW , plus Verzending