Online sinds 2006 – Vertrouwde ervaring
Meer dan 100.000 artikelen – Groot assortiment
Levering uit eigen voorraad – Snelle verzending
Gratis verzending bij €150+

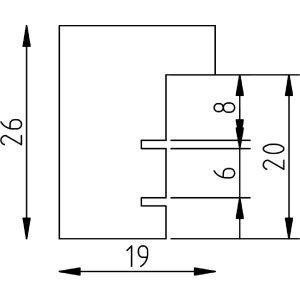
Effect houten fotolijst Profil 58 wit 18x32 cm met anti-reflexglas

Massief houten fotolijst, diep blokprofiel 1,9 cm, 6-lagen lak EU-standaard, anti-reflexglas voor scherpe weergave, gebruiksvriendelijk wandmontage
Kleur 
Soort Glas 
Afmeting Fotolijst 

39,90 €
incl. BTW , plus Verzending