Online sinds 2006 – Vertrouwde ervaring
Meer dan 100.000 artikelen – Groot assortiment
Levering uit eigen voorraad – Snelle verzending
Gratis verzending bij €120+

effect Houten fotolijst Profil 58 hellbruin 27x48 cm met acrylglas

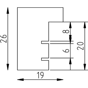
Massieve houten fotolijst met diep blokprofiel, leistebreedte 1,9 cm, UV-bescherming door acrylglas, geschikt voor wandmontage, natuurlijke houtstructuur, glad oppervlak, antireflexlaag, brokkelbestendig, hoge kwaliteit
Kleur 
Soort Glas 
Afmeting Fotolijst 

67,05 €
incl. 21% BTW , plus Verzending